본문
특징
열에 의해서 접착이 가능한 모든 종류의 비닐을 연속식 가열방식으로 접착해주는 기계로 액체나 분말 등 쏟아지기 쉬운 내용물 포장 시 적합.
KBV1 씨리즈에 비해 휠씬 미려하고 안정된 접착결과를 얻을 수 있다.
사양
접착속도최대 16m/분
접착폭10mm, 5mm 또는 14mm 택일(옵션)
씰링히터150mm(L) x 500W(4개)
접착온도0-390℃
냉각방식강제 공냉식
인자기핫프린터 + 잉크 리본형
기계중량170 kg
180W 모터
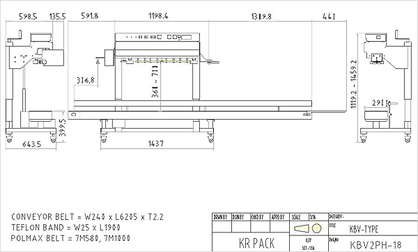
Dimemsion

댓글목록
등록된 댓글이 없습니다.

